产品尺寸要求:






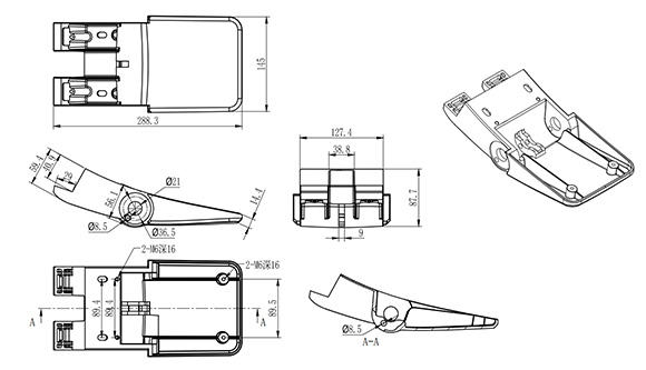
铝合金站脚尺寸及技术要求:
1.铸造过程不得有较大气孔、疏松、夹渣等不良现象。
2.站脚成型后周边不能有毛刺、飞边。
3.表面喷砂处理:黑色。
铝合金扶手框架尺寸及技术要求:
1.铸造过程不得有较大气孔、疏松、夹渣等不良现象。
2.站脚成型后周边不能有毛刺、飞边。
3.表面喷砂处理:灰色。
铝合金写字板支架尺寸及技术要求:
1.铸造过程不得有较大气孔、疏松、夹渣等不良现象。
2.站脚成型后周边不能有毛刺、飞边。
3.表面喷砂处理:灰色。
技术要求:
1.座椅根据人体工程学原理及形态美学设计制造,背垫和座垫之弧度完全符合人体原理曲线,座高和座深合理,坐感舒适,座垫可自动回复,座椅外观简洁而美观。
2.座椅基本中心距为560±5mm,座包打开坐深460±5mm,写字板打开侧深876±5mm,基本椅高为1050±5mm,最小排距:900mm。
3.在保证观众舒适度的前提下,背垫高不超过1050mm,增加椅背板的声反射面积,改善座椅的吸声;座底板根据需要打吸音孔,使座椅的吸声量在不同的上座率尽可能保持一致。
4.下藏式写字板:写字板链接铝头、托板采用优质铝合金材料经模具一体压铸成型。写字板面板采用硬木多层板压铸而成,写字板固定方式为机械原理高强度螺栓,使写字板链接部位越用越结实,不会出现松弛现象,打开回收时需带消音功能,不可有反弹力与燥音的出现。
5.面料采用高档针织面料,并经防静电、防蛀处理,手感舒适,长时间使用无皱褶、断裂、起球、褪色现象。
6.座椅泡绵均为聚氨酯冷发泡高回弹定型海绵,座海棉尺寸:长度为482±10mm,宽度为467±5mm,高度为96±10mm,海棉密度为40~55KG/M3,背海棉尺寸:长度为717±5mm,宽度为490±5mm,高度为155±5mm,海棉密度为35-45KG/m3,强度高,回弹性好,独特配方,使泡绵具有抗菌性,能有效杀灭大肠杆菌等病菌。
7.座椅支架钢材使用优质冷轧钢材,焊接件采用机器人焊接,焊接质量高。表面经表面经脱脂→清洗→去锈→清洗→磷化→清洗→钝化→粉末静电喷涂→固化→冷却然后采用环氧树脂30微米静电喷涂,保证盐浴72小时漆膜耐腐蚀试验不生锈。
8.座椅扶手为优质进口橡木实木,曲线造型,不变形、不开裂,扶手尺寸规格:长度为391±2mm,宽度为56±2mm,高度为44±2mm。
9.座包采用气杆阻尼回复机构,两级缓冲先快后慢,使座包3秒内可回复到位,具备逃生消音功能,座包回复碰撞部位增加橡胶垫防撞降噪,使座包打开无噪音,回复缓慢无冲击性撞击。
10.座背内外板:采用优质高密度硬木多层板,经模具冷压注成型,不褪色,抗变型。背外板规格:长度为760±2mm,宽度为485±2mm,厚度为15mm。座外板尺寸规格:长度为440±2mm,宽度为475±2mm,厚度为15mm。背内板:采用优质夹板经模具压弯成型。外型成弧型,美观大方,具有曲线美。背内板尺寸规格:长度为688±2 mm,宽度为485±2mm,厚度为6 mm。
11.铝合金扶手框架:采用优质铝合金材料经模具一体压铸成型,内设下藏式写字板打开回收功能,并保证写字板有足够活动空间,使写字板打开回收时与扶手框架不会产生碰撞。铝合金扶手宽≥50mm, 重≥2.9KG。扶手表面采取带弧面设计,以保证产品的满饱美观性。
12.站脚:托板采用优质铝合金材料经模具一体压铸成型,脚管采用优质方管,脚筒为优质钢板,经模具压制后用二氧化碳焊接成型,外形为单脚下通风结构装置,表面经过除锈、清洗、氧化、烘干、静电、高温、静喷亚光黑处理,尺寸规格:长度为495±2mm,宽度为285±2mm,高度为300±2mm。
13.座椅固定方式采用内隐藏式压爆螺丝固定地面,外观特别设计塑料防尘盖,保证椅脚平滑美观的同时防止积尘,便于清洁。
14.按要求提供单人位整椅样品一组,提供铝合金站脚小样一套,提供铝合金扶手框架小样一套,提供铝合金写字板支架小样一套,未按要求提供样品的或提供样品不符合要求的样品分不得分。








